1장. 인프라 아키텍쳐를 살펴보자
- Scale-up: 서버의 자체 성능을 증가시키는 것 = "수직 스케일"
- Scale-out: 기존의 서버와 같은 사양 또는 비슷한 사양의 서버 대수를 증가시키는 것 = "수평 스케일"
집약형 아키텍쳐 <=> 분할형 아키텍쳐(분산 시스템)
- 수직 분할: 서버별로 다른 역할 담당하는 경우
- 클라이언트 - 서버형: ex) 클라이언트측(PC, 스마트폰, 태블릿 등)에 전용 SW 설치
- 클라이언트: 화면 표시나 단순 계산
- 서버: 데이터 제공
- 3계층형 아키텍쳐
- 프레젠테이션 계층: 사용자 input을 받고 웹 브라우저 화면 표시
- 애플리케이션 계층: request에 따라 데이터 처리
- 데이터 계층: 애플리케이션 계층에 따라 데이터 입출력
- 클라이언트 - 서버형: ex) 클라이언트측(PC, 스마트폰, 태블릿 등)에 전용 SW 설치
- 수평 분할: 용도가 같은 서버를 늘려나가는 방식
- 단순 수평 분할형 아키텍쳐: 샤딩/파티셔닝 ex) 서울 지사 시스템과 부산 지사 시스템을 나눈다
- 공유형 아키텍쳐: 단순 분할형과 달리 일부 계층(데이터 계층)에서 데이터 교환(동기화 등)이 이루어진다.
위 수직/수평 분할을 적절히 조합하여 아래 아키텍쳐를 만들 수 있다.
- 지리 분할형 아키텍쳐: 업무 연속성 및 시스템 가용성을 높이기 위해 지리적으로 분할
- 스탠바이형 아키텍쳐: 물리 서버를 최소 두 대를 준비하여 한 대가 고장나면 가동중인 소프트웨어를 다른 한 대로 옮겨서 운영하는 방식
- 재해 대책형 아키텍쳐: 위와 마찬가지로 동일한 환경의 서버를 별도 사이트에 배치하고 재해가 발생하면 다른 사이트에 있는 정보 사용한다. 애플리케이션 최신화와 데이터 최신화를 주의해야 한다.
클라우드형 아키텍쳐: 가상화: 집약형+분할형 양쪽의 장점을 취하는 방법
- 물리 서버를 가상화 기능으로 여러 대의 가상 서버로 분할
2장. 서버를 열어보자
서버는 rack에 장착되고, 랙에는 서버 외에도 HDD, 네트워크 스위치 등이 붙어있다.
- CPU(=코어): 서버 중심에 위치하며 연산 처리(1초에 10억회 정도)를 한다. 코어는 각자가 독립된 처리를 할 수 있다.
- 프로세스/사용자IO가 OS에 명령 -> OS가 CPU에 명령을 내림
- CPU 자체에도 메모리가 있다. (레지스터, L1/L2/L3 캐시 등)
- 레지스터: CPU 구조의 일부로 CPU에서 연산에 사용하는 데이터를 기억하는 소규모 기억장치
- 메모리: CPU 옆에 위치하며 데이터를 저장하거나, 처리 결과를 받는다. 속도가 빠르지만 서버를 재시작하면 정보가 없어짐.
- L1/L2/L3캐시 등으로 메인 메모리로부터 데이터 처리 시간을 줄일 수 있다. L1/L2는 각 코어 전용, L3는 CPU 전체가 공유
- 컴퓨터는 캐시로부터 데이터를 읽어들여 레지스터에 저장한 후, 레지스터 사이로 데이터를 전달하면서 연산을 수행한다.
- 메모리 인터리빙(memory interleaving): 메모리를 여러 개의 모듈로 나누어 메모리에 접근하더라도 block 되지 않고 단위시간에 여러 메모리로 동시에 접근이 가능하도록 하는 기법 => 다음에 필요한 데이터를 미리 가져다놓는다
- 상위 인터리빙: 메모리 주소의 상위 비트에 의해 모듈 선택, 하위 비트에 의해 모듈 내 주소 선택
- 장점: 모듈간의 독립성 -> 한 모듈에 에러가 나더라도 해당 모듈만 영향
- 단점: 동시 접근을 통한 성능 향상이 어렵다
- 하위 인터리빙: 메모리 주소의 하위 비트에 의해 모듈 선택, 상위 비트에 의해 모듈 내 주소 선택
- 장점: 다수의 모듈이 동시 동작 가능
- 단점: 새로운 메모리 뱅크 추가 시, 전체에 영향을 주게 된다
- 혼합 인터리빙: 메모리 뱅크를 몇개의 모듈로 나누어 구성하는데, 메모리 뱅크 선택은 상위 인터리빙 방식을 따르고, 뱅크 선택 후, 뱅크 내 모듈 간에는 하위 인터리빙 방식을 따른다.
- 상위 인터리빙: 메모리 주소의 상위 비트에 의해 모듈 선택, 하위 비트에 의해 모듈 내 주소 선택
- 메모리 ~ CPU 간 데이터 교환은 채널을 통해 이루어진다.
- IO 장치
- HDD(하드디스크): 장기 저장 목적의 데이터 저장 장소
- 자기 원반이 여러 개 들어 있음, 고속으로 회전해서 read/write 처리 => 회전 구조 때문에 물리 법칙에 좌우되며, 메모리처럼 순식간에 access 할 수 없다.
- 서버와 IO 시에는 캐시를 통해 데이터를 교환한다.
- Read => 캐시에 없는 경우 디스크에서 읽은 후 캐시에 올리고, 캐시를 서버에 반환
- Write Through => 캐시와 저장소에 기록하고 IO 종료 여부를 서버에 알림
- 장점: 캐시와 메모리에 업데이트를 같이 해버리는 방식이기때문에 데이터 일관성 유지, 안정적
- 단점: 속도가 느린 저장소에 데이터를 기록할 때, cpu block 시간이 필요
- Write Back => 캐시에 기록하고 IO 종료 여부를 서버에 알림(캐시 내에 일시적으로 데이터 저장할 때 사용)
- 장점: 빠르다
- 단점: 데이터 일관성이 깨진다
- 대형 저장소와 연결할 때에는 일반적으로 FC(Fibre Channel) 케이블을 사용해서 SAN(Storage Area Network) 네트워크를 경유한다. 서버 사이에 FC 포트가 없는 경우, 서버 사이의 통신을 위해 PCI 슬롯에 HBA 카드를 삽입하기도 한다.
- c.f. 최근에는 SSD(반도체 디스크): 물리적인 회전 요소를 사용하지 않는 디스크
- 네트워크 인터페이스: 서버와 외부 장비를 연결하기 위한 것(외부 접속용)
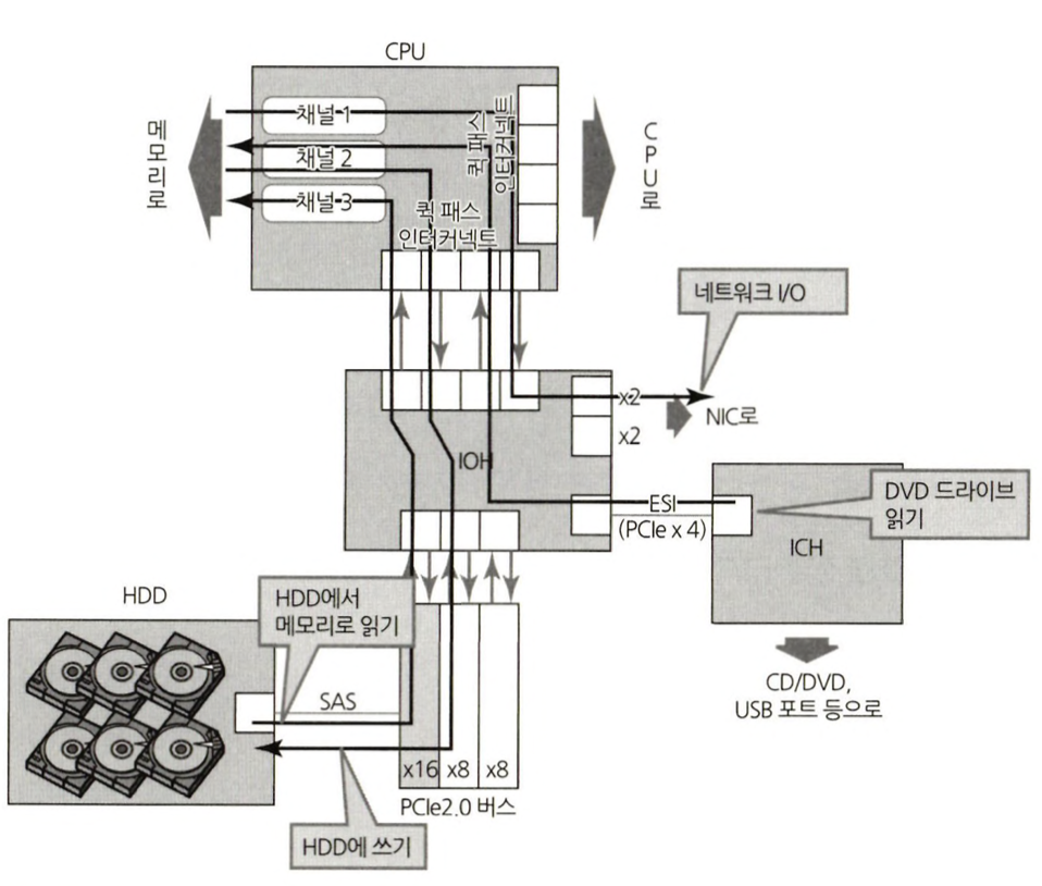
- IOH/ICH: IO를 제어한다
- IOH(IO 핸들러): 이전에는 메모리 IO가 주 역할이었지만, CPU에 그 역할이 옮겨간 후, 고속 처리가 필요한 PCI Express나 네트워크 IO를 제어한다. 또는 CPU간 데이터 전송 제어를 하기도 한다.
- ICH(IO 컨트롤러): 속도가 느려도 괜찮은 DVD/USB 등의 IO를 제어하거나, IOH간의 데이터 전송 제어를 한다.
- 아래는 다양한 I/O 예로, HDD의 I/O와 DVD의 I/O 경로가 물리적으로 다르다는 것을 알 수 있다.
- HDD(하드디스크): 장기 저장 목적의 데이터 저장 장소

- 버스: 서버 내부 컴포넌트들을 연결시키는 회선으로, 전송능력(대역: 전송폭+전송횟수 = throughput)이 중요하다.
3장. 3계층형 시스템을 알아보자

- 프로세스 및 스레드: 프로그램이 서버 내부의 디스크 상에 설치된 후, 실행 요청이 들어오면 커널이 프로세스를 실행 시키고 프로세스 시작 시에 요청 분량만큼 메모리를 할당한다. 즉, 프로세스 및 스레드는 프로그램 실행 후 OS 상에서 실행 되면서 어느 정도 독립성을 가지며 동작하는 것이다.
- 프로세스: 전용 메모리 공간을 이용해서 동작한다. (웹서버) => 독자 메모리 공간을 가지고 있기 때문에 생성 시 CPU 부하가 스레드와 비교할 때 높아진다. 따라서 멀티 프로세스 애플리케이션에서는 프로세스 생성 부담을 낮추기 위해 미리 프로세스를 시작시켜 둔다.(풀링 pooling)
- 스레드: 다른 스레드와 메모리 공간을 공유하고 있다. (AP 서버) => 메모리 공간을 공유하기 때문에 의도하지 않는 데이터 읽기/쓰기가 발생할 수 있다.
- 프로세스가 메모리 공간을 공유할 수 없는 것은 아니다. (오라클 DB) 여러 프로세스가 공유 메모리 공간을 상호 이용할 수 있는 방법도 있다. 이와 별도로 프로세스 별로 독자 메모리 영역도 있어서 용도별로 나누어 사용할 수 있다. 캐시 데이터를 일반적으로 프로세스 간에 공유하기 때문에 공유 메모리 상에 둔다.
- OS 커널: OS 처리는 원칙적으로 커널을 통해 이루어진다. 커널은 다른 Layer(?)에서 이루어지는 처리를 은폐하고 편리한 인터페이스를 제공한다. 커널의 역할은 아래 6가지로 정리할 수 있다.
- 시스템 콜 인터페이스: 프로세스나 스레드로부터(애플리케이션) OS 를 통해 어떤 처리를 하고 싶으면 시스템 콜로 커널에 명령을 하고, 이 명령이 인터페이스를 통해 전달된다. (키보드나 마우스 입력은 인터럽트로 처리)
- 프로세스 관리: 가동되고 있는 프로세스 관리와 CPU 이용 우선순위 등을 스케쥴한다. => CPU 코어 고려
- 메모리 관리: 서버 상의 메모리를 단위 크기의 블록으로 분할하여 프로세스에 할당하거나, 메모리 독립성 등을 관리 => 물리 메모리 공간 고려
- 네트워크 스택: 네트워크를 관리 => 6장
- 파일 시스템 관리: 디렉터리 구조 제공, 액세스 관리, 고속화, 안정성 향상 등의 기능을 제공함으로써 애플리케이션이 `파일` 단위로 데이터를 작성하거나 삭제할 수 있음
- 장치 드라이버: 디스크, NIC, HBA 등의 물리 장치용 인터페이스 제공 => 이 장치 드라이버가 해당 OS 의 표준 장치로서 커널을 경유해 이용할 수 있도록 한다.
- 커널 설계 및 구현 방식
- monolithic 커널: OS의 주요 구성 요소를 모두 하나의 메모리 공간을 통해 제공한다. ex) UNIX 계열의 OS, 리눅스
- micro 커널: 최소한의 기능만 커널이 제공하고, 그 외 기능은 커널 밖에서 제공한다. ex) Mac OS X
- 웹 데이터 흐름
'작성중...' 카테고리의 다른 글
| Java Reflection이란? (0) | 2021.01.23 |
|---|---|
| Java HashMap vs LinkedHashMap vs TreeMap (0) | 2020.12.19 |
| Web Development w/ Google’s Go (golang) Programming Language: (0) | 2020.12.17 |
| Go: 기본 문법 (0) | 2020.12.17 |